卓越品質 科技創新
WSSRM-12/RM6-40.5全封閉全絕緣充氣式環網開關設備
產品簡介
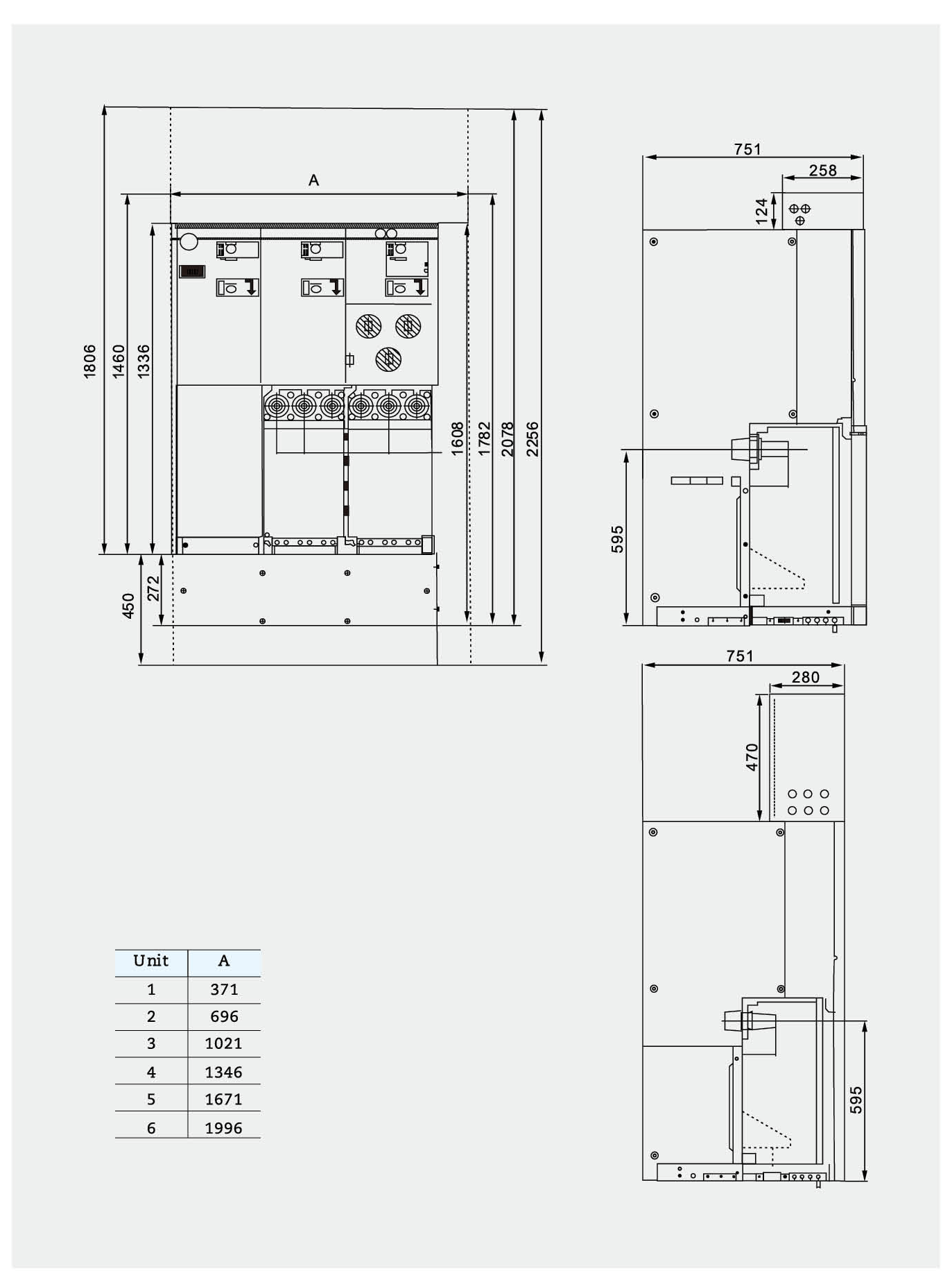
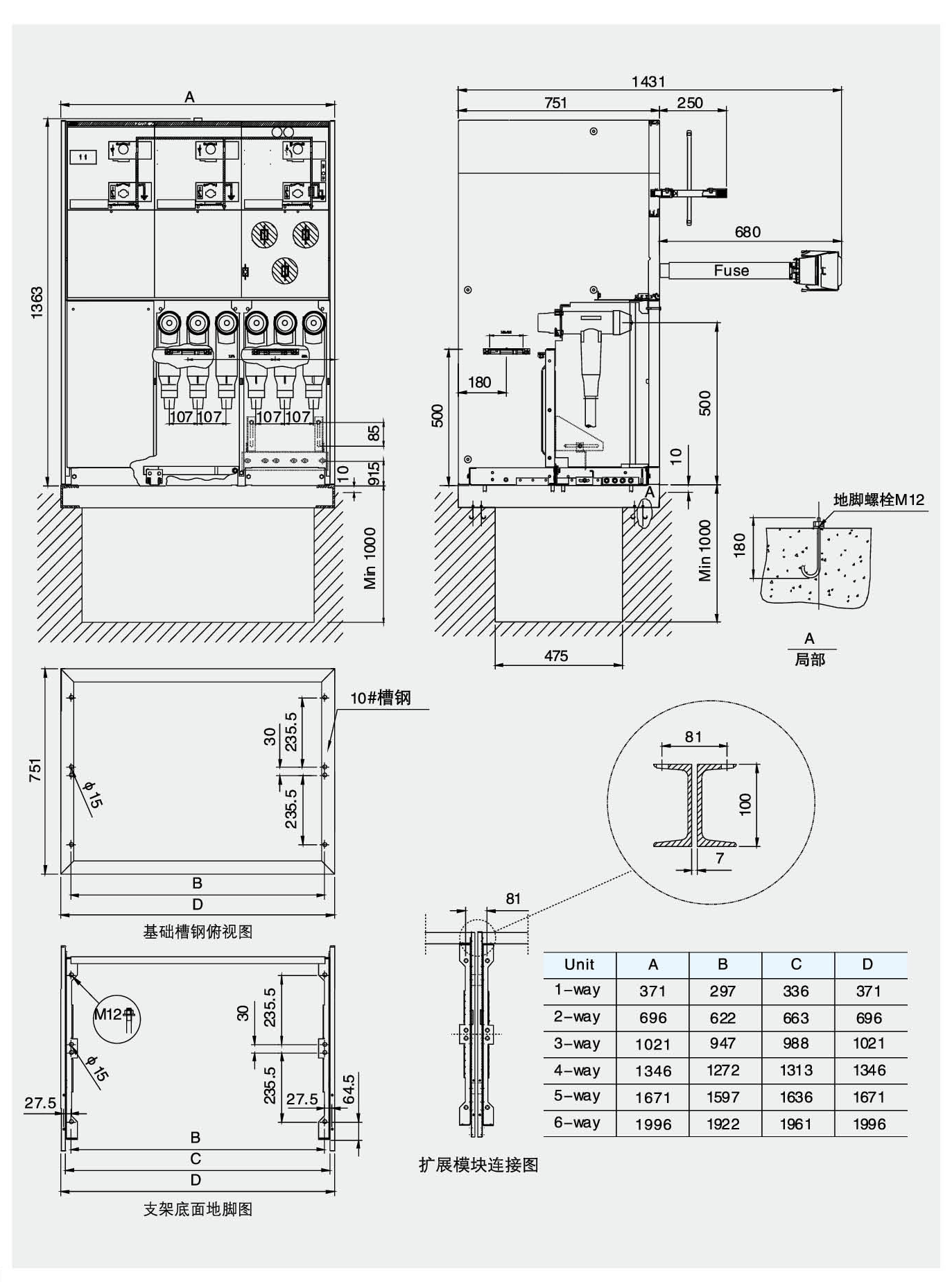
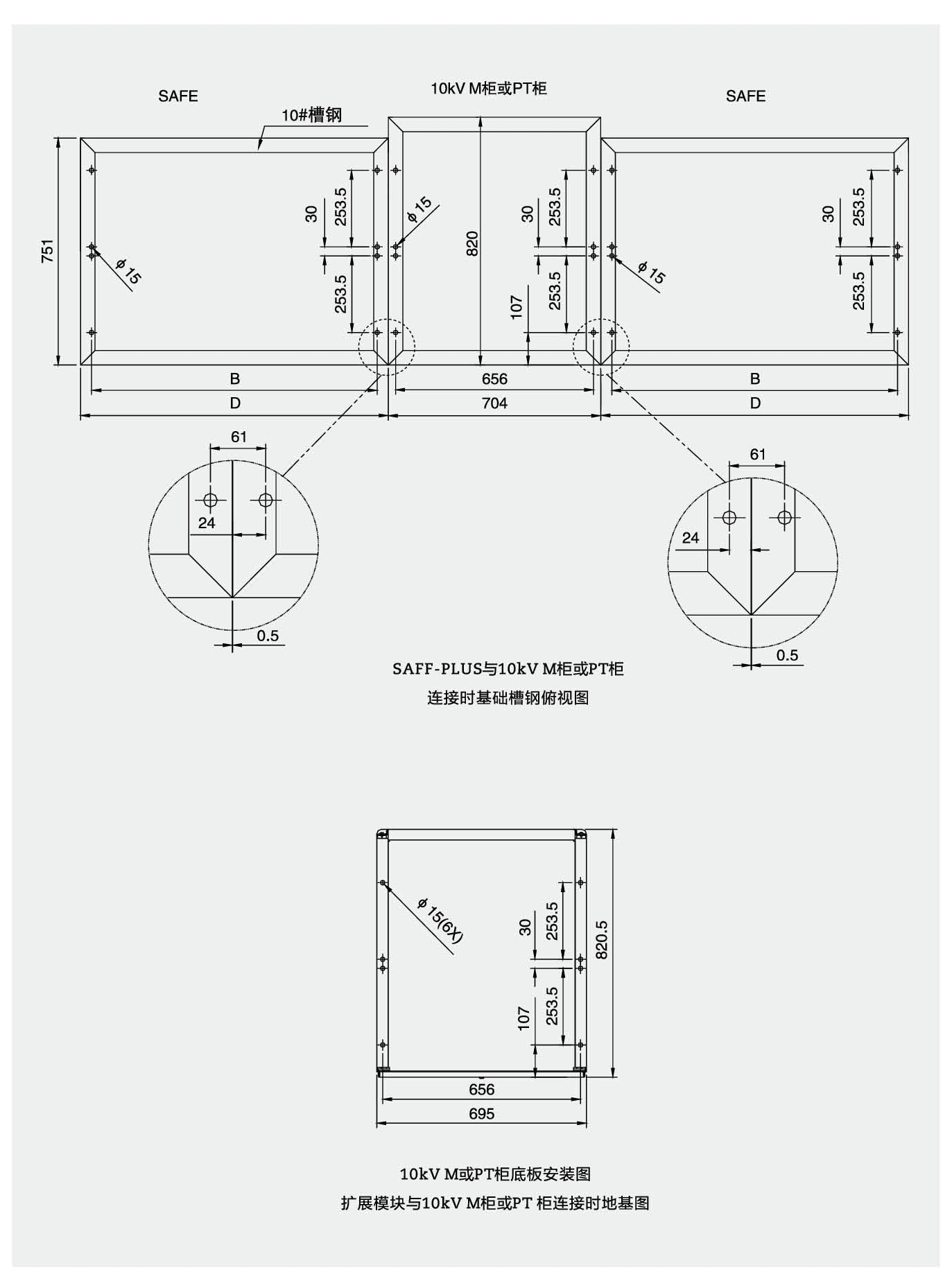
SRM6-12系列充氣式開關柜安裝在一個鍍鋅板框架上,開關單元在SF6氣箱內,氣箱由抗腐蝕和無磁性3mm厚不銹鋼板制成。SF6氣箱是一個“密封壓力系統”在正常工作環境下可運行20年。SF6氣體正常工作時壓力為0.15~0.4br。氣箱裝有壓力釋放裝置,當壓力過高時,保證氣體能從底部或后部釋放。






